Luin viikonloppuna uutisia, ja Lapin Kansan sivuilta sattui sähköalan uutinen silmään:
Tukes selvitti syyn LVI-asentajan sähkökuolemaan Rovaniemellä – Yle: Poliisi tutkii tapausta (LK 5.12.2013)
Eli LVI-asentaja oli asentanut vesivaraajaa varten pistorasian. Kytkentä oli kuitenkin tehty väärin, ja toinen asentaja oli saanut kuolettavan sähköiskun. Putket ja vesivaraajan metalliosat olivat kytkennän johdosta jännitteellisiä (tässä tapauksessa vaihe- ja maadoitusjohdot olivat kytketty väärinpäin).
Pari perustavaa laatua olevaa virhettä:
1) Sähköasennuksia saa tehdä vain valtuutettu sähköasentaja!
2) Pistorasiat (ja muutkin sähkötyöt) pitää asentaa ja kytkeä oikealla tavalla, niin ettei väärät osat tule jännitteellisiksi.
Muistui mieleen myös vuosi sitten Rovaniemellä tapahtunut sähkötapaturma:
VR:n sähkömies syttyi tuleen (LK 27.8.2013)
Sähkömies syttyi tuleen ratapihalla
Asentaja oli ollut asennustöissä sähkökeskuksessa/muuntamossa, ja asentajan vaatteet olivat syttyneet tuleen.
Sivut
▼
sunnuntai 8. joulukuuta 2013
lauantai 30. marraskuuta 2013
Uusi jakso
Nyt marras-joulukuun vaihteessa vaihtuu myös jakso. Uusina kursseina alkavassa jaksossa on mm. liikunta, kielet (enkku+äikkä) sekä yritystoiminta.
Kas kummaa, kaikki uudet kurssit taitavat olla sellaisia kursseja joissa ei kirjoittajan tarvitse käydä. Kyseiset kurssit ovat nimittäin sellaisia, jotka olen suorittanut jo aiemmissa koulutuksissa/tutkinnoissa.
Kas kummaa, kaikki uudet kurssit taitavat olla sellaisia kursseja joissa ei kirjoittajan tarvitse käydä. Kyseiset kurssit ovat nimittäin sellaisia, jotka olen suorittanut jo aiemmissa koulutuksissa/tutkinnoissa.
keskiviikko 27. marraskuuta 2013
Linkkivinkki: Opintomateriaalia
Etsiskelin tietoa sähköasennuksiin liittyvistä asioista, ja Wikipedian kautta päädyin Digma-sivustolle ("digitaalisen oppimateriaalin sivusto"). Sivustolla on listattu materiaalia, jotka ovat syntyneet pääasiassa 2000-luvulla.
Esimerkkinä oppimateriaalista voisi antaa vaikka Ryhmäjohdot ja sähköpisteet sekä Sähkölaitteiston tarkastukset.
Esimerkkinä oppimateriaalista voisi antaa vaikka Ryhmäjohdot ja sähköpisteet sekä Sähkölaitteiston tarkastukset.
tiistai 26. marraskuuta 2013
Matematiikan koe
Tällä viikolla järjestettiin matematiikan koe, aiheena geometria. Päätinpä koota muutaman kaavan muistin virkistämiseksi...
Linkit
Taulukot.com
Etälukio
Geometria perusteet (pdf)
Linkit
Taulukot.com
Etälukio
Geometria perusteet (pdf)
perjantai 15. marraskuuta 2013
Kokeita, siivousta, kierrätystä
![]() |
| Koulun nimi ja logo joskus aikoja sitten |
Asennustekniikan teoriakokeessa keskiviikkona käytiin läpi sähköpiirroksien merkkejä (piirrosmerkkejä). Torstaina oli vuorossa käytännön asennuskoe, kaksiosainen asennustesti: 6+7+6-asennus eli käytäväkytkentä sekä kontaktoriohjaus (2 konkkaa + 2 lämpörelettä).
Toisin kuin taisin viime tekstissä/merkinnässä mainita, asennustekniikan kokeet eivät olleet osanäyttöjä. Ilmeisesti seuraavat varsinaiset osanäytöt ovat ensi vuonna.
Eilen torstaina asennuskokeen jälkeen vuorossa oli hallin siivousta sekä varaston järjestelyä. Vanhat käyttämättömät tuotteet ja muu roska roskiin, sähkötuotteet SER-kierrätykseen. Roskikseen päätyi myös kirjallisuutta, joka ei enää ollut ajantasaista (lainsäädäntöä etc). Bongasin sieltä koulun vanhan leiman...
keskiviikko 13. marraskuuta 2013
Kokeita ja kokeita
Tätä viikkoa voisi kutsua koeviikoksi. Maanantaina oli matematiikan koe (en itse ehtinyt osallistumaan), tänään keskiviikkona oli asennustekniikan koe (piirrosmerkit, moniviivainen piirros eli kytkentäkaavio).
Huomenna torstaina on tiedossa asennustekniikasta osanäyttö parista eri osa-alueesta, toteutus lauta-asennuksena. Moottorikytkentä eli kontaktoria/kelaa kytketään. (Asia jota en täysin hallitse, vaikka tänään harjoitusasennuksessa onnistuinkin.) Lisäksi tiedossa lamppujen käytäväkytkentä kolmella kytkimellä (6+7+6).
Huomenna torstaina on tiedossa asennustekniikasta osanäyttö parista eri osa-alueesta, toteutus lauta-asennuksena. Moottorikytkentä eli kontaktoria/kelaa kytketään. (Asia jota en täysin hallitse, vaikka tänään harjoitusasennuksessa onnistuinkin.) Lisäksi tiedossa lamppujen käytäväkytkentä kolmella kytkimellä (6+7+6).
![]() |
| Kontaktoriharjoitus |
![]() |
| Porras/käytäväkytkentä |
perjantai 8. marraskuuta 2013
Ohjelmia liittyen sähköalaan
Yle Fem esitti torstaina 7.11.2013 dokumentin Sähkölinjojen lainsuojaton. Ohjelmassa seurataan kuinka Intiassa köyhemmät varastavat sähköä liittämällä johdot suoraan sähkönsyöttölinjaan.
Olen aiemminkin ihmetellyt nk. ryöstöliittymien turvallisuutta...
Linkit
Yle Ohjelmat
Yle Fem: En mästare på att stjäla el
Yle Areena
Kuvalähde
Olen aiemminkin ihmetellyt nk. ryöstöliittymien turvallisuutta...
Linkit
Yle Ohjelmat
Yle Fem: En mästare på att stjäla el
Yle Areena
Kuvalähde
torstai 7. marraskuuta 2013
Piirtomerkit (linkit)
Kertauksen vuoksi:
Sähköalan piirrosmerkkejä (linkkejä)
- Rakennusten sähköpiirrustusten piirrosmerkit
- HarrasteElektroniikka
- STEK: piirrosmerkit
- Sähkösuunnitelman symbolit (pdf)
- Tekninen piirrustus, lvi-piirrustus (pdf)
- Pientalojen sähköpiirustukset
Erään sähköalan yrityksen lista sähköasennukseen liittyvistä dokumenteista
Sähköalan piirrosmerkkejä (linkkejä)
- Rakennusten sähköpiirrustusten piirrosmerkit
- HarrasteElektroniikka
- STEK: piirrosmerkit
- Sähkösuunnitelman symbolit (pdf)
- Tekninen piirrustus, lvi-piirrustus (pdf)
- Pientalojen sähköpiirustukset
Erään sähköalan yrityksen lista sähköasennukseen liittyvistä dokumenteista
tiistai 5. marraskuuta 2013
Videoita YouTubessa
Seita-säätiön Mediapaja on julkaissut pari Lapin ammattiopistoon liittyvää videota. Toinen video on vuodelta 1984 ja toinen kaivoskoulutuksen esittelyvideo vuodelta 2012.
lauantai 26. lokakuuta 2013
Kontaktoriasennukset
Tällä viikolla aiheena asennuskurssilla ovat olleet kontaktorit. Asia ja kytkentä, jota en ymmärrä. Yksiviivaista piirrosta en ymmärrä, ei osaa asentaa kyseisiä tuotteita... Ans kattoo mitä tuleva tuo tullessaan.
WP: Kontaktori, Rele
WP: Kontaktori, Rele
sunnuntai 13. lokakuuta 2013
Syysloma 2013
Jaahas... Ens viikolla (14. - 20.10.2013) on loma, syysloma. Eli unta palloon ja paljon!
tiistai 1. lokakuuta 2013
Uusi jakso, uusia kursseja
Tänään (ti 1.10.2013) alkoi uusi jakso. Uuden jakson myötä alkoi pari uutta kurssia. Matematiikkaa, äidinkieltä, Löytöretkellä itseen (psykologiaa?) sekä Ohjelmoitavat logiikat -kurssi.
Infoa Wikipedian Ohjelmoitava logiikka -artikkelista:
Kurssilla käydään läpi n. 50 sivuinen oppimateriaali sekä eri valmistajien piirien avulla käytännön esimerkkejä logiikkajärjestelmistä. Koululla on esimerkiksi Siemensin ohjelmoitavia logiikoita.
Infoa Wikipedian Ohjelmoitava logiikka -artikkelista:
Ohjelmoitava logiikka (PLC, Programmable Logic Controller) on tosiaikaisten automaatioprosessien ohjauksessa käytettävä pieni tietokone (esim. NC-koneen tai tehtaan kokoamislinjan ohjaus). Alun perin käyttöön autoteollisuudessa, missä ohjelmistopäivitykset korvasivat ohjausjärjestelmien uudelleenjohdotukset. Yhdellä logiikalla voi helposti korvata satoja tai tuhansia aiemmin käytettyjä releitä ja ajastimia. Ohjelmoitavan logiikan toiminnallisuus vähitellen kasvanut ohjauskeskukseksi, joka hallitsee kehittyneen liikkeen ohjauksen, prosessin säädön, hajautetut hallintajärjestelmät ja tietokoneverkot.
Mikroprosessoripohjainen laite, jossa on tulo- ja lähtöportteja, joihin on kytketty kentällä olevia antureita ja toimilaitteita. Logiikka ohjaa toimilaitteita käyttäjän luoman paristovarmennettuun muistiin sijoitetun ohjelman ja sensoreiden antamien tietojen mukaisesti.
Kurssilla käydään läpi n. 50 sivuinen oppimateriaali sekä eri valmistajien piirien avulla käytännön esimerkkejä logiikkajärjestelmistä. Koululla on esimerkiksi Siemensin ohjelmoitavia logiikoita.
perjantai 27. syyskuuta 2013
keskiviikko 25. syyskuuta 2013
ATK-verkko
Olemme käyneet asentamassa ATK-verkkoa asiakkaalle. Rakennuksen ATK-pistokkeet (nettipistokkeet) on tarkoitus asentaa uudelleen. Aiemmin jokaisessa huoneessa on ollut oma verkkokaappi/kisko, johon huoneen piuhat ovat tulleet. Uudelleenjohdotuksessa kaikkien huoneiden erilliset kiskot poistuvat ja verkkojohdot päätyvät uuteen yhteen johtokaappiin.
Johdotukset tulevat olemaan cat6-luokituksen mukaisia. Pistorasiat kytketään Lexcom 250 Cat6 UTP -liittimillä, asennuksen helpottamiseksi...
Linkit
Wikipedia: Tietoverkko, Lähiverkko, Parikaapeli, Category 6 cable
Asennusohjeita ja -artikkeleita
Johtospagetista DATAverkoksi, MikroPC 1/2003 (pdf)
Lähiverkkojen rakentaminen, Tietosähkö oy 1/07 (pdf)
Cat6-liittimen kytkentä, Tietosähkö oy
Johdotukset tulevat olemaan cat6-luokituksen mukaisia. Pistorasiat kytketään Lexcom 250 Cat6 UTP -liittimillä, asennuksen helpottamiseksi...
Linkit
Wikipedia: Tietoverkko, Lähiverkko, Parikaapeli, Category 6 cable
Asennusohjeita ja -artikkeleita
Johtospagetista DATAverkoksi, MikroPC 1/2003 (pdf)
Lähiverkkojen rakentaminen, Tietosähkö oy 1/07 (pdf)
Cat6-liittimen kytkentä, Tietosähkö oy
perjantai 13. syyskuuta 2013
Työturvallisuudesta pari sanaa
Törmäsin uutiseen "Tukes selvittää LVI-asentajan kuolemaa" (YLE 13.9.2013). Uutisen mukaan putkiasentaja oli tehnyt sähköasennuksia, ja kuollut tapaturmaisesti.
En ole perehtynyt minkälainen koulutus LVI-puolella on, mutta tietääkseni koulutus ei anna kuitenkaan pätevyyttä tekemään sähkötöitä. Mitkä turvallisuus- ja korttikoulutukset kuuluvat kyseiseen koulutusohjelmaan?
Sähkökoulutukseen kuuluu ainakin neljä eri turva/korttikoulutusta, joita ilman ei tietääkseni saa työskennellä työmailla:
- Ensiapu
- Työturvallisuus
- Tulityö
- Sähköturvallisuus
Ei osa-alueet keskittyvät hieman eri osa-alueisiin, mutta tiivistettynä kaikissa käydään läpi työmaalla työskennellään turvallisesti sekä mitä laki ja asetukset sanovat työturvallisuudesta.
Sähköalalla on lisäksi myös 3-portaiset sähköpätevyys ja bähköturvallisuustutkinto.
Koulutuksen ja turvallisuuskurssien/pätevyyksien lisäksi tietääkseni vaaditaan (vähintään) parin vuoden työkokemusta (ohjatusti, eli käytännössä työpari-järjestelmä?).
LINKIT
Sähköpätevyys, Sähköala.fi
Sähköpätevyydet, SETI
En ole perehtynyt minkälainen koulutus LVI-puolella on, mutta tietääkseni koulutus ei anna kuitenkaan pätevyyttä tekemään sähkötöitä. Mitkä turvallisuus- ja korttikoulutukset kuuluvat kyseiseen koulutusohjelmaan?
Sähkökoulutukseen kuuluu ainakin neljä eri turva/korttikoulutusta, joita ilman ei tietääkseni saa työskennellä työmailla:
- Ensiapu
- Työturvallisuus
- Tulityö
- Sähköturvallisuus
Ei osa-alueet keskittyvät hieman eri osa-alueisiin, mutta tiivistettynä kaikissa käydään läpi työmaalla työskennellään turvallisesti sekä mitä laki ja asetukset sanovat työturvallisuudesta.
Sähköalalla on lisäksi myös 3-portaiset sähköpätevyys ja bähköturvallisuustutkinto.
Koulutuksen ja turvallisuuskurssien/pätevyyksien lisäksi tietääkseni vaaditaan (vähintään) parin vuoden työkokemusta (ohjatusti, eli käytännössä työpari-järjestelmä?).
LINKIT
Sähköpätevyys, Sähköala.fi
Sähköpätevyydet, SETI
tiistai 27. elokuuta 2013
Antenni
Pari linkkiä antenneista (ja niiden asentamisesta)
Antennijärjestelmät, Sähköala.fi
Pientalon antenniopas rakentajalle ja remontoijalle, SANT
HIRSCHMANN ANTENNIJÄRJESTELMÄT
Tänään kokeilimme koulussa/hallissa antenniverkon tekemistä. Tarkemmat selvitykset ja piirrokset (ehkä) myöhemmin.
Antennijärjestelmät, Sähköala.fi
Pientalon antenniopas rakentajalle ja remontoijalle, SANT
HIRSCHMANN ANTENNIJÄRJESTELMÄT
Tänään kokeilimme koulussa/hallissa antenniverkon tekemistä. Tarkemmat selvitykset ja piirrokset (ehkä) myöhemmin.
maanantai 19. elokuuta 2013
Työmaa ja ulkovalojen asennus
Tänään oli ensimmäinen työmaapäivä. Parina päivänä viikossa käymme Levillä sijaitsevalla työmaalla (tämä aikataulu jatkuu ainakin tämän jakson ajan). Työmaalla työskentelee meidän Sodankylän sähköryhmän lisäksi myös rakennuspuolelta porukkaa (Rovaniemeltä?) ja lisäksi pintakäsittelijöitä.
Mitä olemme tehneet ja mitä tulemme tekemään? Tänään aloitimme ulkovalojen asentamisen. Pihamaalle tulee parisenkymmentä valaisinpylvästä, jotka kytketään parkkipaikan (reuna)alueelle. Parkkipaikalle tulee myös lämmitystolpat (pistorasiat), jotka asennetaan/kytketään varmaankin syksyn aikana.
En osaa sanoa mikä tulee olemaan lopullinen työjako, kuka tekee mitäkin työmaalla. Ilmeisesti myös Rovaniemeltä tulee käymään sähkäreitä, joten kaikkea ei varmaan tulla itse tekemään. Ulkotöiden lisäksi olisi sisätiloissa kytkentöjä (pistorasiat, valaistus etc).
Paha kun en hoksannut ottaa asennusohjetta mukaan, että olis saanut tänne skannattua kuvan asennustavasta...
Olemme käyneet (ja tulemme käymään) asentamassa pihavaloja myös muuallekin kuin Levin työmaalle. Asiakkaan pihalle vaihdettiin uudet valaisimet.
Linkit
Rautia: Ulkovalaisimen asennus
Taloon.com: Valaisininfo
Mitä olemme tehneet ja mitä tulemme tekemään? Tänään aloitimme ulkovalojen asentamisen. Pihamaalle tulee parisenkymmentä valaisinpylvästä, jotka kytketään parkkipaikan (reuna)alueelle. Parkkipaikalle tulee myös lämmitystolpat (pistorasiat), jotka asennetaan/kytketään varmaankin syksyn aikana.
En osaa sanoa mikä tulee olemaan lopullinen työjako, kuka tekee mitäkin työmaalla. Ilmeisesti myös Rovaniemeltä tulee käymään sähkäreitä, joten kaikkea ei varmaan tulla itse tekemään. Ulkotöiden lisäksi olisi sisätiloissa kytkentöjä (pistorasiat, valaistus etc).
Paha kun en hoksannut ottaa asennusohjetta mukaan, että olis saanut tänne skannattua kuvan asennustavasta...
Olemme käyneet (ja tulemme käymään) asentamassa pihavaloja myös muuallekin kuin Levin työmaalle. Asiakkaan pihalle vaihdettiin uudet valaisimet.
Linkit
Rautia: Ulkovalaisimen asennus
Taloon.com: Valaisininfo
tiistai 13. elokuuta 2013
Syksy ja koulun alku
Heinäkuu vaihtui elokuuksi ja koulukin alkoi. Viime torstaina alkoi osalla ja eilen alkoi lopuilla... Itse käväsin viime viikolla hoitelemassa juoksevia asioita, kuten Kelan tukiaisiin tarvittavat todistukset.
Eilen maanantaina alkoi koulu ja käytiin läpi millaisia asioita tulevaisuus tuo tullessaan. Joskus tulevaisuudessa alamme käymään työmaalla, eli kytkentöjä tekemään käytännössä. Työmaa sijaitsee ilmeisesti Levillä, pitkiä päiviä siis tiedossa.
Mitäs muuta? Tänään käytiin läpi varusteita, vaatteita lähinnä. Yhtenäinen varustus jne. Itselläni hieman enemmän massaa, joten housuissa hieman piti säätää (koko isompi ja lahkeet piti lyhentää).
Käytiin pikaisesti myös läpi piirrosmerkkejä ja pohjapiirroksia.
Linkit
STEK: Piirrosmerkit
Rakennusten sähköpiirustusten piirrosmerkit
Eilen maanantaina alkoi koulu ja käytiin läpi millaisia asioita tulevaisuus tuo tullessaan. Joskus tulevaisuudessa alamme käymään työmaalla, eli kytkentöjä tekemään käytännössä. Työmaa sijaitsee ilmeisesti Levillä, pitkiä päiviä siis tiedossa.
![]() |
| Esimerkkejä käydyistä piirrosmerkeistä. |
Käytiin pikaisesti myös läpi piirrosmerkkejä ja pohjapiirroksia.
Linkit
STEK: Piirrosmerkit
Rakennusten sähköpiirustusten piirrosmerkit
perjantai 2. elokuuta 2013
Koulun alkaminen
Lapin ammattiopistossa opiskelu alkaa torstaina 8. elokuuta. Ilmeisesti aloittavilla alkaa klo 9.
Aiemmin saamani tiedon mukaan jatkavilla opiskelijoilla alkaisi maanantaina 12. päivämutta tarkasteltuani LAO:n sivuja huomasin päivämäärän muuttuneen.
LUKUTAITO! MISSÄ SÄ OOT!
Pitäisi lukea paremmin, en päivämääriä lukenut kunnolla. Uudet aloittaa 8. päivä ja vanhat 12. päivä
LAO
Aiemmin saamani tiedon mukaan jatkavilla opiskelijoilla alkaisi maanantaina 12. päivä
LUKUTAITO! MISSÄ SÄ OOT!
Pitäisi lukea paremmin, en päivämääriä lukenut kunnolla. Uudet aloittaa 8. päivä ja vanhat 12. päivä
LAO
keskiviikko 24. heinäkuuta 2013
Maadoituselektrodi
Muutama sananen maadoituksesta ja maadoituselektrodista. Pariin sivustoon törmäsin, ja päätin linkittää ne tänne.
Maadoituselektrodin sijoittaminen
Maadoitusjohtimen mitat: kuparilla poikkipinta-alan tulisi olla vähintään 16 mm2, pituudeltaan parisenkymmentä metriä.
Sijoituspaikka: perustukset (alapuoli), betoniraudoitus, jokaiseen sähköliittymän rakennukseen
Mitkä maadoitetaan: suositellaan, että yhdistetään toisiinsa kaikki maadoituselektrodit ja suojajohtimet, rakennuksen johtavat osat, metalliset rakennusosat ja betonirakenteiden teräkset
Linkit
Maadoitus, Kokemäensähkö.fi
Sähköala.fi
- Rakennuksen sähkölaitteistojen maadoitukset
- Ukkossuojaus ja maadoitus
Tampereen sähkö: Sähköverkkoon liittyminen (erityisesti kohta/kappale 8)
Maadoituselektrodin sijoittaminen
Maadoitusjohtimen mitat: kuparilla poikkipinta-alan tulisi olla vähintään 16 mm2, pituudeltaan parisenkymmentä metriä.
Sijoituspaikka: perustukset (alapuoli), betoniraudoitus, jokaiseen sähköliittymän rakennukseen
Mitkä maadoitetaan: suositellaan, että yhdistetään toisiinsa kaikki maadoituselektrodit ja suojajohtimet, rakennuksen johtavat osat, metalliset rakennusosat ja betonirakenteiden teräkset
Linkit
Maadoitus, Kokemäensähkö.fi
Sähköala.fi
- Rakennuksen sähkölaitteistojen maadoitukset
- Ukkossuojaus ja maadoitus
Tampereen sähkö: Sähköverkkoon liittyminen (erityisesti kohta/kappale 8)
maanantai 22. heinäkuuta 2013
Sähköjohdot ulkomailla
![]() |
| How to Wire Electrical Switches and Outlets |
Jännitteen suuruus
Ulkomailla (Yhdysvalloissa) on käytössä kotitalouksissa 120 V:n jännite, eli n. puolet Suomessa käytössä olevasta jännitteestä.
Olen törmännyt YouTubessa videoon, jossa henkilö virittää vannesahaa. Videossa esitettiin kuinka henkilö virittää kahdesta pistorasiasta 240 voltin ulostulon (120 + 120 V).
Värikoodit
Ulkomainen pistorasia eroaa hieman suomalaisesta pistorasiasta niin ulkoisesti kuin sisäisesti. Törmäsin kytkentäkaavioon, jossa vaihe ("hot wire") oli merkitty mustalla, neutraali oli merkitty valkoisella ja maadoitusjohdin oli joko vihreä tai täysin paljas.
Maadoitus oli lisäksi kytketty jako- tai/ja kojerasian seinämään (erityisesti silloin kun rasia metallia).
Johtojen väritystä on standardoitu ja yhtenäistetty. Pyrkimyksenä olisi ilmeisesti se, että kaikkialla olisi samat värit samoihin paikkoihin/asioihin.
Linkit
DIY: House Wiring for Beginners
WP: Electrical wiring ja AC power plugs and sockets
perjantai 19. heinäkuuta 2013
Kirjallisuutta
Kaivelin tässä varastoa ja törmäsin pariin kirjaan, jota käytin opiskellessani Rovaniemellä tietotekniikkaa. Elektroniikka-aiheisia kirjoja, sisältöä käyty niin ammattikoulussa kuin ammattikorkeassakin.
Elektroniikan perusteet
Aaltonen, Kousa, Stor-Pellinen; Limes ry
Kotisivut, Wikipedia
Tietokonetekniikka. Osa 1: Digitaalitekniikka
Pekka Rantala; Kymdata
Molemmissa kirjoissa käsitelty mm. digitaalipiirejä ja (bittien) laskutapoja.
Linkit
Kirjallisuutta sähkötekniikasta ja elektroniikasta, Wikiaineisto
Elektroniikan perusteet
Aaltonen, Kousa, Stor-Pellinen; Limes ry
Kotisivut, Wikipedia
Tietokonetekniikka. Osa 1: Digitaalitekniikka
Pekka Rantala; Kymdata
Molemmissa kirjoissa käsitelty mm. digitaalipiirejä ja (bittien) laskutapoja.
Linkit
Kirjallisuutta sähkötekniikasta ja elektroniikasta, Wikiaineisto
keskiviikko 3. heinäkuuta 2013
Tietopaketti sähkökytkennöistä
Yritin muistella miten käytäväkytkin toimii ja minkälainen kytkentäkaavio on 6- ja 7-kytkimillä. Etsiessäni taustatietoja netistä törmäsin Enston info- ja opetussivustoon: Ensto Pro
"Aineisto on tarkoitettu sähköisen talotekniikan koulutusmateriaaliksi. Aineistossa on sähköasennuksiin liittyviä perusteita ja säädöksiä sekä käytännön esimerkkejä, suunnittelu- ja asennusohjeita. Tavoitteena on kuvata kokonaisratkaisujen suunnittelua, toteutusta ja käyttöä.
Aineistossa on kaksi tasoa:
- Perustaso on tarkoitettu kaikille alalla työskenteleville
- Ammattilaistaso on tarkoitettu sähköalan ammattihenkilöille, jotka tarvitsevat suunnittelu-, asennus- tai ylläpito-osaamista.
Aineisto on itseopiskelu- ja tausta-aineisto alalla työskenteleville tai alalle tuleville uusille henkilöille
![]() |
| Käytäväkytkin (6+7+6), Enston materiaalista Kytkimet ja painonapit Onko oikein? Hieman epävarma... |
lauantai 29. kesäkuuta 2013
Pistorasiat sekä nollaus ja maadoitus
Törmäsin viikolla ensimmäistä kertaa nollattuun pistorasiaan.
Ennen pistorasiat olivat maadoittamattomia, eli pistorasiaan meni kaksi karvaa (vaihe ja nolla). Nykyisten standardien mukaan pistorasioiden pitää olla maadoitettuja, eli pistorasiaan menee kolme karvaa (vaiheen, nolla, maa). Jos nykyaikaisen pistorasian liittää vanhan järjestelmän johtoihin, tapana on/oli yhdistää maadoitus ja nolla.
Varoituksen sana
Vaaratilanne nollauksessa: vikatilanteessa laitteen runko saattaa tulla jännitteelliseksi -> sähköisku!
Vikatilanteissa virta/jännite palaisi takaisin sulaketauluun maadoitusjohtoa pitkin (polttaen sulakkeen). Jos maa ja nolla yhdistetty pistorasiassa, jännite tulee takaisin runkoon.
Linkit
TUKES: Kodin sähköturvallisuusopas
Ennen pistorasiat olivat maadoittamattomia, eli pistorasiaan meni kaksi karvaa (vaihe ja nolla). Nykyisten standardien mukaan pistorasioiden pitää olla maadoitettuja, eli pistorasiaan menee kolme karvaa (vaiheen, nolla, maa). Jos nykyaikaisen pistorasian liittää vanhan järjestelmän johtoihin, tapana on/oli yhdistää maadoitus ja nolla.
Varoituksen sana
Vaaratilanne nollauksessa: vikatilanteessa laitteen runko saattaa tulla jännitteelliseksi -> sähköisku!
Vikatilanteissa virta/jännite palaisi takaisin sulaketauluun maadoitusjohtoa pitkin (polttaen sulakkeen). Jos maa ja nolla yhdistetty pistorasiassa, jännite tulee takaisin runkoon.
![]() |
| Kuva rintamamiestalo.fi-sivuston keskustelusta |
Linkit
TUKES: Kodin sähköturvallisuusopas
perjantai 21. kesäkuuta 2013
Opiskelijoita ja videoita
Meni alussa väärään blogiin. Asia korjattu...
Viime viikolla julkaistiin yhteishaun tulokset (LAO), muistaakseni torstaina 13.6. oli opiskelijavalintojen virallinen julkaisupäivä. Sähköasentaja-linjalla aloittaa kait 8 opiskelijaa, nimiä tosin on vain viisi nimeä (kaikki eivät kait ole antanut julkaisulupaa nimellensä).
Videot
Olen lomalla ajankuluksi katsellut YouTubesta videoita, Markorepairs-kanavalta olen pari mielenkiintoista videota bongannut. Kanavan omistaja on tehnyt remonttia asuntoonsa, samalla vetänyt sähköjä (esim. valoja/katkaisimia). Sähköalaa opiskelleena mielenkiinnolla seuraan millaisia kytkentöjä saadaan aikaan.
Viime viikolla julkaistiin yhteishaun tulokset (LAO), muistaakseni torstaina 13.6. oli opiskelijavalintojen virallinen julkaisupäivä. Sähköasentaja-linjalla aloittaa kait 8 opiskelijaa, nimiä tosin on vain viisi nimeä (kaikki eivät kait ole antanut julkaisulupaa nimellensä).
Videot
Olen lomalla ajankuluksi katsellut YouTubesta videoita, Markorepairs-kanavalta olen pari mielenkiintoista videota bongannut. Kanavan omistaja on tehnyt remonttia asuntoonsa, samalla vetänyt sähköjä (esim. valoja/katkaisimia). Sähköalaa opiskelleena mielenkiinnolla seuraan millaisia kytkentöjä saadaan aikaan.
keskiviikko 12. kesäkuuta 2013
Talopakettien sähköasennukset
Uutisissa on ollut TUKES:n tutkimuksista talotehtaiden sähköasennuksista. Osassa talopaketteja johdot ovat asennettu ohjeiden vastaisesti väärään kohtaan seinää (asennus eristeisiin tjsp).
Viikonloppuna oli uutinen lehdessä siitä, että tutkimukset ovat saatettu loppuun asti. Mitään vakavaa ei paljastunut, talotehtaat ovat tietoisia asetuksista ja ohjeista (väärinasennukset yksittäistapauksia).
Lainatakseni ST-kortiston "Asennus suoraan rakenteeseen" -julkaisua:
Katso myös Stul.fi: Asennussuosituksia 2010 (Kysymyksiä ja vastauksia -palsta, Suositus 6/2010: Kaapelin asentaminen villan sisään)
Viikonloppuna oli uutinen lehdessä siitä, että tutkimukset ovat saatettu loppuun asti. Mitään vakavaa ei paljastunut, talotehtaat ovat tietoisia asetuksista ja ohjeista (väärinasennukset yksittäistapauksia).
Lainatakseni ST-kortiston "Asennus suoraan rakenteeseen" -julkaisua:
"Kaapelia ei saa asentaa lämpöeristyksen sisään. Lämpöeristettyjen seinien läpivienneissäkin on otettava huomioon, pitääkö kaapelin kuormitettavuutta pienentää lämpenemisen vuoksi.
Kaapelia ei voi ilman mekaanista suojaa asentaa paikkaan, jossa se asennettaessa tai käytössä joutuu alttiiksi mekaaniselle vahingoittumiselle, teräville metallisärmille, ruuveille tms. [...]
Asennusten käyttöönotossa on kiinnitettävä erityistä huomiota eristystilamittauksiin."
Katso myös Stul.fi: Asennussuosituksia 2010 (Kysymyksiä ja vastauksia -palsta, Suositus 6/2010: Kaapelin asentaminen villan sisään)
perjantai 7. kesäkuuta 2013
Johdot ja turvallisuus
Törmäsin tässä sosiaalisessa mediassa erääseen vanhaan kuvaan sähkölinjoista. Uteliaisuuttani käytinkin Googlen kuvahakua, hakusanana old power line. Kaikenlaisia villejä kytkentöjä sitä löytyykin... Nimittäin nk. kehittyneissä maissa sähkölinjoilla kulkee tuhat ja yksi johtoa, turvallisuudesta ei tietoakaan!
Suomessa lienee turvallisuusnäkökohdat otettu sen verto hyvin huomioon, ettei pääse syntymään mitään vaaratilanteita.
Milloinkas muuten maaseudun maisemasta katosivat puhelin- ja sähkölinjat? 1990-luvun lopulta lähtien on pyritty kaivamaan johdot maan sisään. Tällä turvataan esim. sähkön jakelu myrskyjen tuhoilta. Ilmajohdot ovat herkkiä katkeamaan jos esimerkiksi puu kaatuu linjalle.
Suomessa lienee turvallisuusnäkökohdat otettu sen verto hyvin huomioon, ettei pääse syntymään mitään vaaratilanteita.
Milloinkas muuten maaseudun maisemasta katosivat puhelin- ja sähkölinjat? 1990-luvun lopulta lähtien on pyritty kaivamaan johdot maan sisään. Tällä turvataan esim. sähkön jakelu myrskyjen tuhoilta. Ilmajohdot ovat herkkiä katkeamaan jos esimerkiksi puu kaatuu linjalle.
sunnuntai 2. kesäkuuta 2013
Kesäloma alkoi
Virallisesti loma alkoi eilen ja takaisin koulunpenkille elokuussa. Kesäloma kestää siis pari kuukautta. Kesällä en ajatellut tehdä muuta kuin lomailla...
Mitäs vielä?
Valmistujaisia vietettiin eilen. Onnittelut siis kaikille tasapuolisesti!
Linkit
LAO: Valmistuneet 2013
Mitäs vielä?
Valmistujaisia vietettiin eilen. Onnittelut siis kaikille tasapuolisesti!
Linkit
LAO: Valmistuneet 2013
lauantai 25. toukokuuta 2013
RLC-piirin laskemista
Perjantaina järjestettiin koe, joka käsitteli pääasiassa RLC-piiriä ja sen laskuja. Kokeessa kysyttiin väittämiä aiheeseen liittyvistä asioista (oikein-väärin) sekä yhden piirin virtoja (I) ja vaihesiirtokulmaa.
Tarkoituksena olisi ollut koota kaavoja tähän merkintään. Valitettavasti laiskuus iski, en jaksanut koota kaikkia laskukaavoja. Liitteenä silti muutama laskukaava...
Linkit
Linkeistä löytyy tarkempaa selvitystä ja enemmän kaavoja...
Harraste-elektroniikka: Vaihtosähkötekniikan laskukaavat
Virtapiirilaskuja (pdf)
Tarkoituksena olisi ollut koota kaavoja tähän merkintään. Valitettavasti laiskuus iski, en jaksanut koota kaikkia laskukaavoja. Liitteenä silti muutama laskukaava...
Linkit
Linkeistä löytyy tarkempaa selvitystä ja enemmän kaavoja...
Harraste-elektroniikka: Vaihtosähkötekniikan laskukaavat
Virtapiirilaskuja (pdf)
tiistai 21. toukokuuta 2013
Ubuntu / Python koodia
Oma ohjelma nro 2
Ohjelma kysyy käyttäjältä osoittajan ja nimittäjän. Tämän jälkeen ilmoittaa numerot sekä jakolaskun tuloksen. Lisäksi jos jakaja 0, tulostuu ilmoitus virheellisestä jakajasta.
# -*- coding: cp1252 -*-
# Ohjelmointiharj.2 vers. 2
# U. Mäkitalo, 16.5.2013
# Kysytään käyttäjältä jaettava ja jakaja
# Jos jakajana 0, ilmoitus virheestä
jaettava = float(raw_input("Anna jaettava luku: ")) # Kysytään jaettava
jakaja = float(raw_input("Anna jakava luku: ")) # Kysytään jakaja
if jakaja == 0: # Jos jakaja 0, tulostetaan teksti
print "Annoit jakajaksi luvun 0. Nolla ei ole kelvollinen luku jakajaksi."
else:
print "Annoit luvut", jaettava, "ja", jakaja # Tulostetaan näytölle annetut luvut
tulos = (jaettava / jakaja) # Jakolasku
print "Jakolaskun tulos: ", round(tulos, 2) # Tulostetaan tulos näytölle
Miltä koodi näyttää:
sahko@sahko-To-Be-Filled-By-O-E-M:~/Alkeet$ python ohjelma2v2.py
Anna jaettava luku: 5
Anna jakava luku: 2
Annoit luvut 5.0 ja 2.0
Jakolaskun tulos: 2.5
sahko@sahko-To-Be-Filled-By-O-E-M:~/Alkeet$ python ohjelma2v2.py
Anna jaettava luku: 5
Anna jakava luku: 3
Annoit luvut 5.0 ja 3.0
Jakolaskun tulos: 1.67
sahko@sahko-To-Be-Filled-By-O-E-M:~/Alkeet$ python ohjelma2v2.py
Anna jaettava luku: 10
Anna jakava luku: 5
Annoit luvut 10.0 ja 5.0
Jakolaskun tulos: 2.0
Esimerkki 12.2.
# -*- coding: cp1252 -*-
# Esimerkki 12.2
# 16.5.2013 UM
def laske_binaari(luku):
potenssi = 0
while True: #Laskee kuinka monta bittiä esitykseen tarvitaan
if 2**potenssi <= luku:
potenssi += 1
else:
break
jono = ''
while True:
if luku - 2**potenssi < 0: #Jos arvo liian suuri, merkitään 0
jono = jono + "0"
else:
jono = jono + "1" #Bittiarvo voidaan vähentää, merkataan 1
luku = luku - 2**potenssi
potenssi -=1 #Lähestytään arvoa 0 joka kierroksella
if potenssi == -1: #Ollaan tultu luvun loppuun
break
return jono
lukuarvo = input("Anna kokonaisluku: ")
tulos = laske_binaari(lukuarvo)
print "Antamasi kokonaisluku on binaariluvuilla esitettynä",tulos
Koodi pitäisi antaa seuraavanlaisen tuloksen:
sahko@sahko-To-Be-Filled-By-O-E-M:~/Alkeet$ python esim122.py
Anna kokonaisluku: 5
Antamasi kokonaisluku on binaariluvuilla esitettynä 0101
Ohjelma kysyy käyttäjältä osoittajan ja nimittäjän. Tämän jälkeen ilmoittaa numerot sekä jakolaskun tuloksen. Lisäksi jos jakaja 0, tulostuu ilmoitus virheellisestä jakajasta.
# -*- coding: cp1252 -*-
# Ohjelmointiharj.2 vers. 2
# U. Mäkitalo, 16.5.2013
# Kysytään käyttäjältä jaettava ja jakaja
# Jos jakajana 0, ilmoitus virheestä
jaettava = float(raw_input("Anna jaettava luku: ")) # Kysytään jaettava
jakaja = float(raw_input("Anna jakava luku: ")) # Kysytään jakaja
if jakaja == 0: # Jos jakaja 0, tulostetaan teksti
print "Annoit jakajaksi luvun 0. Nolla ei ole kelvollinen luku jakajaksi."
else:
print "Annoit luvut", jaettava, "ja", jakaja # Tulostetaan näytölle annetut luvut
tulos = (jaettava / jakaja) # Jakolasku
print "Jakolaskun tulos: ", round(tulos, 2) # Tulostetaan tulos näytölle
Miltä koodi näyttää:
sahko@sahko-To-Be-Filled-By-O-E-M:~/Alkeet$ python ohjelma2v2.py
Anna jaettava luku: 5
Anna jakava luku: 2
Annoit luvut 5.0 ja 2.0
Jakolaskun tulos: 2.5
sahko@sahko-To-Be-Filled-By-O-E-M:~/Alkeet$ python ohjelma2v2.py
Anna jaettava luku: 5
Anna jakava luku: 3
Annoit luvut 5.0 ja 3.0
Jakolaskun tulos: 1.67
sahko@sahko-To-Be-Filled-By-O-E-M:~/Alkeet$ python ohjelma2v2.py
Anna jaettava luku: 10
Anna jakava luku: 5
Annoit luvut 10.0 ja 5.0
Jakolaskun tulos: 2.0
Esimerkki 12.2.
# -*- coding: cp1252 -*-
# Esimerkki 12.2
# 16.5.2013 UM
def laske_binaari(luku):
potenssi = 0
while True: #Laskee kuinka monta bittiä esitykseen tarvitaan
if 2**potenssi <= luku:
potenssi += 1
else:
break
jono = ''
while True:
if luku - 2**potenssi < 0: #Jos arvo liian suuri, merkitään 0
jono = jono + "0"
else:
jono = jono + "1" #Bittiarvo voidaan vähentää, merkataan 1
luku = luku - 2**potenssi
potenssi -=1 #Lähestytään arvoa 0 joka kierroksella
if potenssi == -1: #Ollaan tultu luvun loppuun
break
return jono
lukuarvo = input("Anna kokonaisluku: ")
tulos = laske_binaari(lukuarvo)
print "Antamasi kokonaisluku on binaariluvuilla esitettynä",tulos
Koodi pitäisi antaa seuraavanlaisen tuloksen:
sahko@sahko-To-Be-Filled-By-O-E-M:~/Alkeet$ python esim122.py
Anna kokonaisluku: 5
Antamasi kokonaisluku on binaariluvuilla esitettynä 0101
tiistai 14. toukokuuta 2013
Linkkivinkki: Sähkö-JCAD
Olemme käyttäneet tekniseen piirtämiseen apuna JCAD-ohjelmistoa. Ohjelmistosta on olemassa useampi eri versio, rakennusalan eri osa-alueille omansa (LVI, sähkö, rakennus etc). Koulussa olemme opiskelleet SähköJCAD-ohjelmaa.
Kari Valtanen, Loimaan ammatti- ja aikuisopisto
Sivuilla ladattava opiskelijaversio JCAD-ohjelmistosta
Sähkö-JCAD –kurssi (PDF), Jyväskylän yliopisto
Materiaalia miten JCAD-ohjelmaa käytetään
Kari Valtanen, Loimaan ammatti- ja aikuisopisto
Sivuilla ladattava opiskelijaversio JCAD-ohjelmistosta
Sähkö-JCAD –kurssi (PDF), Jyväskylän yliopisto
Materiaalia miten JCAD-ohjelmaa käytetään
Sähkötekniikan ja elektroniikan osanäyttö
Kesä lähestyy. Koulua jäljellä kolmisen viikkoa. Kesä- ja heinäkuu ovat lomakuukausia, koulu alkaa elokuun alussa.
Ennen lomille lähtöä on tiedossa ainakin yksi osanäyttö ja yksi koe elektroniikasta.
Osanäyttöjä tänä vuonna (kevään aikana) on järjestetty pari kipaletta: sähköasennuksesta ja tietotekniikasta. Yhteensä tänä vuonna siis kolme osanäyttöä. Kaksi ekaa näyttöä on mennyt läpi...
Ennen lomille lähtöä on tiedossa ainakin yksi osanäyttö ja yksi koe elektroniikasta.
Osanäyttöjä tänä vuonna (kevään aikana) on järjestetty pari kipaletta: sähköasennuksesta ja tietotekniikasta. Yhteensä tänä vuonna siis kolme osanäyttöä. Kaksi ekaa näyttöä on mennyt läpi...
keskiviikko 1. toukokuuta 2013
Johtojen asentaminen seinien sisään
Törmäsin uutiseen, jossa käsiteltiin johtojen asennusta seinän sisään. Ilmeisesti talopakettien valmistajat eivät ole asentaneet kaikkia johtoja standardeja ja käytäntöjä noudattaen. Tämä johtanee asiantuntijoiden mukaan mm. palovaaran kasvamiseen. Välitöntä vaaraa ei ole, mutta turvallisuusviranomaiset haluaa selvityksen rakennusfirmoilta.

Linkit
ST-kortisto: Asennus suoraan rakenteeseen (pdf)

Linkit
ST-kortisto: Asennus suoraan rakenteeseen (pdf)
maanantai 29. huhtikuuta 2013
Piirrosmerkit (kertaus?)
Kertauksen vuoksi linkkejä sivustoille, jossa esitetään piirrosmerkkejä. Sähkö- ja rakennusala pääasiallisena lähtökohtana.
Sähköpiirrustus/piirrosmerkit
HarrasteELEKTRONIIKKA: Piirrosmerkit
RAKENNUSTEN SÄHKÖPIIRUSTUSTEN PIIRROSMERKIT
Talotekniikkainfo: LVI-piirrosmerkit (pdf), päivätty 1978 (vanha?!)
Pentti Harju: Teknisen piirtämisen perusteet (pdf)
Sähköpiirrustus/piirrosmerkit
HarrasteELEKTRONIIKKA: Piirrosmerkit
RAKENNUSTEN SÄHKÖPIIRUSTUSTEN PIIRROSMERKIT
Talotekniikkainfo: LVI-piirrosmerkit (pdf), päivätty 1978 (vanha?!)
Pentti Harju: Teknisen piirtämisen perusteet (pdf)
keskiviikko 24. huhtikuuta 2013
Piirtäminen ja piirikaaviot
Aiemmin olemme opiskelleet teknistä piirtämistä. Kevään aikana olemme jatkaneet aihetta piirikaavioiden piirtämisellä. Piirtämistä opetellaan perinteisen kynä ja viivotin -version lisäksi JCAD-ohjelmalla.
Esitystavat
- koottu esitys
- sidottu esitys
- vapaan esityksen piirikaavio
Esimerkkikuva
Esimerkin kaltaisia kuvia käytetään apuna mm. talojen sähkösuunnitelmissa.
Esitystavat
- koottu esitys
- sidottu esitys
- vapaan esityksen piirikaavio
Esimerkkikuva
Esimerkin kaltaisia kuvia käytetään apuna mm. talojen sähkösuunnitelmissa.
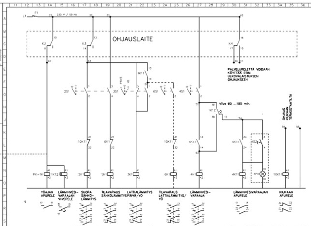
![]() |
| Lämmityksen ohjauksen piirikaavio, ohjaus-osa. Kuva täältä. |
maanantai 22. huhtikuuta 2013
Osanäyttö: Asennus
Tänään järjestettiin (osa)näyttö asennustekniikassa. Kuinka oppilas suoriutuu annetusta tehtävästä, kuinka asentaa ja kytkee annetun mukaisen kytkennän. Arvostelu asteikolla 1 - 3, perusteina (arvosteluissa huomioitu?) mm. asennustapa ja -käyttäytyminen, siisteys, turvallisuus, materiaalinkäyttö...
Tehtävänä oli asentaa kahdella 6-kytkimellä ohjattu lamppu sekä pistorasia.
Tehtävänä oli asentaa kahdella 6-kytkimellä ohjattu lamppu sekä pistorasia.
tiistai 16. huhtikuuta 2013
Linkkivinkki: Sähköblogeja
Googletin tuossa jotain sähköalaan liittyviä juttuja (kytkentäkaavioita etc), jolloin törmäsin pariin sähköalan blogiin. Eli henkilöt opiskelevat tai ovat opiskelleet sähköalaa, ja ovat pitäneet blogia.
D12SAB Milla Moilanen
"Tämä blogi kertoo opiskelustani sähkö- ja automaatiotekniikan linjalla Koulutuskeskus Tavastiassa Hämeenlinnassa."
Opiskelen sähköasentajaksi - Kuinka opiskella automaatio- ja sähköasentaksi
"Sähkö- ja automaatioasentajan perustutkintoa suorittava reilu parikymppinen mies pitää blogia opintojensa etenemisestä. Opinnot alkoivat syksyllä 2009 ja valmistua pitäisi keväällä 2012 tai 2013."
D12SAB Milla Moilanen
"Tämä blogi kertoo opiskelustani sähkö- ja automaatiotekniikan linjalla Koulutuskeskus Tavastiassa Hämeenlinnassa."
Opiskelen sähköasentajaksi - Kuinka opiskella automaatio- ja sähköasentaksi
"Sähkö- ja automaatioasentajan perustutkintoa suorittava reilu parikymppinen mies pitää blogia opintojensa etenemisestä. Opinnot alkoivat syksyllä 2009 ja valmistua pitäisi keväällä 2012 tai 2013."
Ubuntua ja ohjelmointia sekä sähköasennuksia
Viime viikolla alkoi pitkästä aikaa asennuskurssi. Eilen aiheena oli nk. asennusputket ja niiden asentaminen. Tavallinen johto (MMJ) on pehmeämpää materiaalia (kumi/muovi?), joka ei välttämättä sovellu esimerkiksi betonin tai rakenteiden sisälle asennettavaksi. Siksi on olemassa kovemmasta materiaalista olevia asennusputkia. Näitä siis kokeilimme: kuinka katkaistaan, kulman tekeminen, asentaminen.
Kevään aikana olemme tutkineet Ubuntua ja tällä hetkellä harjoituksen alla on Python-ohjelmointi.
Esimerkki Pythonilla koodatusta ohjelmasta:
# -*- coding: cp1252 -*-
korkeus = float(raw_input("Huoneen korkeus: ")) # kysyy käyttäjältä huoneen korkeuden
leveys = float(raw_input("Huoneen leveys: ")) # kysyy huoneen leveyden
pituus = float(raw_input("Huoneen pituus: ")) # kysyy pituuden
huone = (korkeus * leveys * pituus) # laskee huoneen tilavuuden
mitta = (huone * 30) # laskee tarvittavan tehon
print "Huoneen tilavuus:", round(huone, 2), "m^3"
print "Laskennassa käytetty arvoa 30 W/m^3"
print "Tarvittava sähkölämmittimen teho:", int(mitta), "wattia"
Valmis tuotos näyttää suurinpiirtein tältä:
>>>Huoneen korkeus: 2.5
>>>Huoneen leveys: 3.3
>>>Huoneen pituus: 5
>>>Huoneen tilavuus: 41.25 m^3
>>>Laskennassa käytetty arvoa 30 W/m^3
>>>Tarvittava sähkölämmittimen teho: 1237 wattia
Lisäinfoa:
http://www.ohjelmointiputka.net/oppaat/opas.php?tunnus=python_02
Kevään aikana olemme tutkineet Ubuntua ja tällä hetkellä harjoituksen alla on Python-ohjelmointi.
Esimerkki Pythonilla koodatusta ohjelmasta:
# -*- coding: cp1252 -*-
korkeus = float(raw_input("Huoneen korkeus: ")) # kysyy käyttäjältä huoneen korkeuden
leveys = float(raw_input("Huoneen leveys: ")) # kysyy huoneen leveyden
pituus = float(raw_input("Huoneen pituus: ")) # kysyy pituuden
huone = (korkeus * leveys * pituus) # laskee huoneen tilavuuden
mitta = (huone * 30) # laskee tarvittavan tehon
print "Huoneen tilavuus:", round(huone, 2), "m^3"
print "Laskennassa käytetty arvoa 30 W/m^3"
print "Tarvittava sähkölämmittimen teho:", int(mitta), "wattia"
Valmis tuotos näyttää suurinpiirtein tältä:
>>>Huoneen korkeus: 2.5
>>>Huoneen leveys: 3.3
>>>Huoneen pituus: 5
>>>Huoneen tilavuus: 41.25 m^3
>>>Laskennassa käytetty arvoa 30 W/m^3
>>>Tarvittava sähkölämmittimen teho: 1237 wattia
Lisäinfoa:
http://www.ohjelmointiputka.net/oppaat/opas.php?tunnus=python_02
perjantai 5. huhtikuuta 2013
Sähkö- ja työturvallisuuskurssi
Hieman jäänyt paitsioon tämän blogin pitäminen. Ei ole ollut aikaa tai inspiraatiota...
Sähkö- ja turvallisuuskurssi
Kevään aikana on pidetty kurssia, jossa ollaan käyty läpi sähköalaan liittyviä asioita. Kurssilla on ollut mukana myös talotekniikan opiskelijoita (LVI?), joten hieman yleisemmällä tasolla käyty asioita.
Kurssilla on käyty läpi netistä löytyvää Sähköjärjestelmät ja LVI-teknisten laitteiden sähkökytkennät -materiaalia. Materiaalissa käydään läpi mm. sähköverkkoja ja kotitalouksien valaisin- ja lämmitysryhmiä.
Sähkö- ja turvallisuuskurssi
Kevään aikana on pidetty kurssia, jossa ollaan käyty läpi sähköalaan liittyviä asioita. Kurssilla on ollut mukana myös talotekniikan opiskelijoita (LVI?), joten hieman yleisemmällä tasolla käyty asioita.
Kurssilla on käyty läpi netistä löytyvää Sähköjärjestelmät ja LVI-teknisten laitteiden sähkökytkennät -materiaalia. Materiaalissa käydään läpi mm. sähköverkkoja ja kotitalouksien valaisin- ja lämmitysryhmiä.
maanantai 18. maaliskuuta 2013
Still alive
Pari viikkoako tässä nyt on, kun viimeksi kirjoittelin merkintää tänne? Väliaikapäivityksiä, eli elossa ollaan...
Sähköturvallisuuskortti
Viime viikolla oli korttikoulutus, aiheena sähköturvallisuus. 8 tunnin koulutus, jossa käytiin läpi nimensä mukaan sähköturvallisuuteen liittyviä asioita. SFS 6002 -standardin mukainen koulutus...
Itse kortti tulee varmaan seuraavan parin viikon sisällä.
Linkit
WP: SFS 6002 -sähkötyöturvallisuuskoulutus
SESKO: Sähkötyöturvallisuus, kysymyksiä
Materiaalia Sähköturvallisuustutkintoihin (eri tasoja tutkinnossa)
Lomat
Ensi viikolla taitaa olla pääsiäinen. Loppukuussa siis tiedossa parin päivän loma, perjantai ja maanantai lomapäiviä. Lukujärjestysteknisistä syistä johtuen itsellä taitaa olla lisäksi vielä tiistaikin lomaa.
Sähköturvallisuuskortti
Viime viikolla oli korttikoulutus, aiheena sähköturvallisuus. 8 tunnin koulutus, jossa käytiin läpi nimensä mukaan sähköturvallisuuteen liittyviä asioita. SFS 6002 -standardin mukainen koulutus...
Itse kortti tulee varmaan seuraavan parin viikon sisällä.
Linkit
WP: SFS 6002 -sähkötyöturvallisuuskoulutus
SESKO: Sähkötyöturvallisuus, kysymyksiä
Materiaalia Sähköturvallisuustutkintoihin (eri tasoja tutkinnossa)
Lomat
Ensi viikolla taitaa olla pääsiäinen. Loppukuussa siis tiedossa parin päivän loma, perjantai ja maanantai lomapäiviä. Lukujärjestysteknisistä syistä johtuen itsellä taitaa olla lisäksi vielä tiistaikin lomaa.
tiistai 5. maaliskuuta 2013
Hiihtoloma
Jaahas... Maanantaina alkoi viikon mittainen hiihtoloma. Tai no ei se taida olla mikään hiihtoloma, kulkee nimellä talviloma.
Hiihtoloma pohjoisessa sijoittuu perinteisesti viikolle 10 (tänä vuonna 4.-10.3.2013) ja Etelä-Suomessa aiemmin. Porrastetusti, niin, että kolmessa osassa lomaillaan (Etelä-Suomi, Keski-Suomi, Lappi)...
Itse en ole käynyt suksien päällä ainakaan kymmeneen vuoteen, lukioaikoina kävin viimeksi hiihtämässä. Ja ylioppilaaksi pääsin keväällä 2003.
Hiihtoloma pohjoisessa sijoittuu perinteisesti viikolle 10 (tänä vuonna 4.-10.3.2013) ja Etelä-Suomessa aiemmin. Porrastetusti, niin, että kolmessa osassa lomaillaan (Etelä-Suomi, Keski-Suomi, Lappi)...
Itse en ole käynyt suksien päällä ainakaan kymmeneen vuoteen, lukioaikoina kävin viimeksi hiihtämässä. Ja ylioppilaaksi pääsin keväällä 2003.
lauantai 23. helmikuuta 2013
Kursseja, EA:ta ja tapahtumia
Loppuviikosta oli kaivospuolen hallin viralliset avajaiset. Remontoivat kai jollain EU-projektirahalla kaivospuolen hallin tjsp. Torstaina ja perjantaina oli kait asiaan liittyvää kaivosseminaaria. Perjantaina oli sitten viralliset avajaiset, paikalla opetusministeriä, kaivospomoja ja muita silmäätekevää tyyppejä...
Mitäs vielä? Pari viikkoa sitten alkoi sähkö- ja työturvallisuuskurssi. Käydään läpi mm. sähköverkkoihin liittyviä kysymyksiä ja työtapoja. (Tämä ei käsittääkseni ole vielä varsinainen sähköturvallisuuskoulutus, korttikoulutus, jonka ainakin sähköpuolen opiskelijoiden pitää käydä.)
Turvallisuudesta ja korttikoulutuksesta mieleen:
Käväsin hakemassa kuluneella viikolla EA-kortin. Eli ensiapukoulutus käyty hyväksytysti läpi. Kortti voimassa kolmisen vuotta.
Mitäs vielä? Pari viikkoa sitten alkoi sähkö- ja työturvallisuuskurssi. Käydään läpi mm. sähköverkkoihin liittyviä kysymyksiä ja työtapoja. (Tämä ei käsittääkseni ole vielä varsinainen sähköturvallisuuskoulutus, korttikoulutus, jonka ainakin sähköpuolen opiskelijoiden pitää käydä.)
Turvallisuudesta ja korttikoulutuksesta mieleen:
Käväsin hakemassa kuluneella viikolla EA-kortin. Eli ensiapukoulutus käyty hyväksytysti läpi. Kortti voimassa kolmisen vuotta.
keskiviikko 20. helmikuuta 2013
Tähti-kolmiomuunnos sekä Ubuntun asentaminen
Tänään aiheena oli siis aamupäivän tunneilla tähti-kolmiomuunnos ja iltapäivällä Ubuntun asentaminen.
Linkit
- WP: Tähti-kolmiomuunnos
- Ubuntun kotisivut
Linkit
- WP: Tähti-kolmiomuunnos
- Ubuntun kotisivut
perjantai 15. helmikuuta 2013
Lukion juhlijat
Vaikka opiskelenkin amiksessa, niin ajattelinpa muistaa myös muita oppilaitoksia. Lukiossa on ollut tällä viikolla juhliakin pari kipaletta: penkkarit ja wanhojentanssit.
Penkinpainajaiset eli penkkarit ovat abien juttu, vikan vuoden juttu. Wanhojentanssit ovat sitten kakkosten juttu. Valta vaihtuu...
Penkinpainajaiset eli penkkarit ovat abien juttu, vikan vuoden juttu. Wanhojentanssit ovat sitten kakkosten juttu. Valta vaihtuu...
keskiviikko 13. helmikuuta 2013
Ubuntu
Tietokone/elektroniikka-kurssilla käsiteltiin Ubuntua. Tarkoituksena asentaa kevään aikana (helmikuussa) vanhempiin koneisiin kyseinen käyttöjärjestelmä.
Ubuntu
Ubuntuhan on Linuxiin perustuva ilmainen käyttöjärjestelmä, kilpailee mm. Microsoftin Windowsin ja Applen Macin kanssa samoista markkinoista. Järjestelmäversiossa taidetaan mennä numerossa 12.xx (12 = vuosi ja xx = julkaisukuukausi).
Käyttöjärjestelmä on tosiaan ilmainen, ei tarvi siis maksaa suuria lisenssimaksuja. Ohjelmia ja ohjelmistoja löytyy käyttikselle erittäin kattavasti. Kaikki perusohjelmistot löytyy mitä muistakin käyttöjärjestelmistä: toimisto-ohjelmat (tekstinkäsittely, taulukkolaskenta, diashow), kuvan- ja mediankäsittely (musiikki- ja videosoitin etc)...
En osaa kertoa muuta tai enemmän tässä vaiheessa Ubuntusta. Lukekaa hehkutukset vaikka käyttiksen kotisivuilta...
Linkit
- Ubuntun suomalaiset kotisivut
- WP: Ubuntu
tiistai 5. helmikuuta 2013
Uusi jakso
Uusi jakso alkaa huomenna. Onkohan tämä nyt kolmas vai neljäs jakso? Ei muista...
Osa vanhoista kursseista jatkuu, osa loppuu ja muutama uusi kurssi alkaa. Esimerkiksi huomenna alkaa Vaihtosähkötekniikka. Tässä jaksossa alkaa myös sähkö- ja työturvallisuutta käsittelevä kurssi. Lisäksi kevään aikana sähköturvallisuuteen liittyvä korttikoulutus.
Näillä näkymin maanantait tulee olemaan vapaat. Maanantaina on kursseja, jotka olen suorittanut aiemmin.
Mitäs vielä? Kokeita ei ole tiedossa, ei ainakaan lähiaikoina. Viime viikolla oli yksi koe, läpi meni. Vielä pitäisi palauttaa etätehtävät kyseisestä kurssista.
Osa vanhoista kursseista jatkuu, osa loppuu ja muutama uusi kurssi alkaa. Esimerkiksi huomenna alkaa Vaihtosähkötekniikka. Tässä jaksossa alkaa myös sähkö- ja työturvallisuutta käsittelevä kurssi. Lisäksi kevään aikana sähköturvallisuuteen liittyvä korttikoulutus.
Näillä näkymin maanantait tulee olemaan vapaat. Maanantaina on kursseja, jotka olen suorittanut aiemmin.
Mitäs vielä? Kokeita ei ole tiedossa, ei ainakaan lähiaikoina. Viime viikolla oli yksi koe, läpi meni. Vielä pitäisi palauttaa etätehtävät kyseisestä kurssista.
perjantai 1. helmikuuta 2013
Pistorasiat ja johdot
Torstaina harjoittelimme asennuksia. Sähköjohtoja, pistorasioita, lamppuja, kytkimiä... Tulossa kyseisestä kurssista on tulossa näyttötyö. Kertauksen vuoksi ajattelin kertauksen vuoksi koota pari keskeisintä asiaa, mitä olemme kyseisellä kurssilla oppineet.
Johdot
Sähköjohdoissa kulkee kuparista valmistettua metallijohtimia, joissa sähkö siis kulkee. Suomessa kolmivaihesähkö, jonka johdosta vaiheita on kolme kappaletta. Merkitään kirjaimilla L, väreinä johtimissa/johdoissa yleensä ruskea, musta ja harmaa. Lisäksi käytössä maadoitus (kelta-vihreä, PE) ja nolla (sininen, N), sähkökeskuksessa/kaapissa yleensä yhdistetty.
Maata (kevi) ei saa koskaan käyttää virtajohtona!
Pistorasiat
Pistorasia vaati johdon, jossa kolme kaapelia:
- nolla
- vaihe
- maa
Nolla (sininen/N) tulee vasemmalle puolen tai ylös, vaihe (ruskea/L) tulee oikealle tai alas.
http://www.lahivakuutus.fi/FI/maatilat/Riskitjaturvallisuus/Kuukaudenvahinkotapaus/Sivut/Oikosulkumaitohuoneessa.aspx
Johdot
Sähköjohdoissa kulkee kuparista valmistettua metallijohtimia, joissa sähkö siis kulkee. Suomessa kolmivaihesähkö, jonka johdosta vaiheita on kolme kappaletta. Merkitään kirjaimilla L, väreinä johtimissa/johdoissa yleensä ruskea, musta ja harmaa. Lisäksi käytössä maadoitus (kelta-vihreä, PE) ja nolla (sininen, N), sähkökeskuksessa/kaapissa yleensä yhdistetty.
Maata (kevi) ei saa koskaan käyttää virtajohtona!
Pistorasiat
Pistorasia vaati johdon, jossa kolme kaapelia:
- nolla
- vaihe
- maa
Nolla (sininen/N) tulee vasemmalle puolen tai ylös, vaihe (ruskea/L) tulee oikealle tai alas.
![]() |
| Kuvan (oikeanpuoleinen) lähde: Farmit.net |
http://www.lahivakuutus.fi/FI/maatilat/Riskitjaturvallisuus/Kuukaudenvahinkotapaus/Sivut/Oikosulkumaitohuoneessa.aspx
maanantai 21. tammikuuta 2013
Jos aiot opiskelemaan
Suuret pamput ovat suuressa viisaudessaan päättäneet (tai päättämässä) seuraavaa:
Jos on aiempi tutkinto (perustutkinto) tai opinnot keskeytyneet, ei tulevaisuudessa onnistu opintoihin haku. Nimittäin ilmoitettiin, että vastaavassa tilanteessa automaattisesti joutuu jonon hännille.
Missä mättää? Missä vika? Nyt potkitaan pientä ihmistä päähän ja lujaa, voisi sanoa. Jos tosiaan keskeytynyt opinnot, niin vaikeutuu kummasti hakeutuminen opiskeluihin.
Ja mitä ovat nämä puheet syrjäytymisen estämisestä? Ei edistä millään tapaa tavoitetta syrjäytymisen ehkäisemisessä!
Jos on aiempi tutkinto (perustutkinto) tai opinnot keskeytyneet, ei tulevaisuudessa onnistu opintoihin haku. Nimittäin ilmoitettiin, että vastaavassa tilanteessa automaattisesti joutuu jonon hännille.
Missä mättää? Missä vika? Nyt potkitaan pientä ihmistä päähän ja lujaa, voisi sanoa. Jos tosiaan keskeytynyt opinnot, niin vaikeutuu kummasti hakeutuminen opiskeluihin.
Ja mitä ovat nämä puheet syrjäytymisen estämisestä? Ei edistä millään tapaa tavoitetta syrjäytymisen ehkäisemisessä!
keskiviikko 16. tammikuuta 2013
Opintomessut, asennustöitä
Tänään oli koululla opinto- ja rekrymessut. Talo täynnä väkeä, nuoria etsimässä koulutustietoa ja muutakin väkeä tietoa etsimässä...
Kierrättivät henkilöitä ympäri koulua. Sähköosastollakin käväsi useampi ryhmä. Toisen vuoden opiskelijoilla esittelyvastuu. Ykköset saivat rakennella sähkökytkentöjä, mallin vuoksi ja harjoitukseksi (tulossa näyttö sähköasennuksista).
Mitäs muuta? Maanantaina ja tiistaina oli EA-kurssi, ensiaputoimia harjoiteltiin. Varmaan parin viikon sisällä tulee EA1-kortit.
Kierrättivät henkilöitä ympäri koulua. Sähköosastollakin käväsi useampi ryhmä. Toisen vuoden opiskelijoilla esittelyvastuu. Ykköset saivat rakennella sähkökytkentöjä, mallin vuoksi ja harjoitukseksi (tulossa näyttö sähköasennuksista).
Mitäs muuta? Maanantaina ja tiistaina oli EA-kurssi, ensiaputoimia harjoiteltiin. Varmaan parin viikon sisällä tulee EA1-kortit.
sunnuntai 13. tammikuuta 2013
Ensiapu (EA1)
Olenkohan maininnut aiemmin nk. turvallisuuskorteista, korttikoulutuksista? Syksyn aikana on suoritettu tulityö- ja sähköturvallisuuskortit. Lisäksi tulossa on EA- ja sähkötyökortit. Kaikki kortit taitavat olla voimassa 5 vuotta.
Neljä eri korttia siis tämän koulutuksen aikana tulee suoritettua. Ilman näitä (ja veronumerollista henkilökorttia) ei käsittääkseni saa työskennellä rakennustyömaalla.
Ensiapu (EA1)
Ensiapukoulutus kestää kaksi päivää, 2x8h, eli yhteensä 16 tunnin kurssi. (En ole varma kokonaismäärästä, talotekniikan puolella näytti olevan puoli päivää lyhyempi kurssi.)
Linkit
- WP: Tulityökortti
- SPEK: Tulityökurssi
- Tulityökortti.fi
- WP: Työturvallisuuskortti
- Tyoturvallisuuskortti.fi
- Työturvallisuuskortti.net
- Korttirekisteri.fi: Sähkötyöturvallisuuskortti SFS 6002
- SESKO ry: SFS 6002 Sähkötyöturvallisuus
- WP: Ensiapu
- SPR: Opi ensiapua
- TUKES: Sähkötapaturmien ensiapu
Neljä eri korttia siis tämän koulutuksen aikana tulee suoritettua. Ilman näitä (ja veronumerollista henkilökorttia) ei käsittääkseni saa työskennellä rakennustyömaalla.
Ensiapu (EA1)
Ensiapukoulutus kestää kaksi päivää, 2x8h, eli yhteensä 16 tunnin kurssi. (En ole varma kokonaismäärästä, talotekniikan puolella näytti olevan puoli päivää lyhyempi kurssi.)
Linkit
- WP: Tulityökortti
- SPEK: Tulityökurssi
- Tulityökortti.fi
- WP: Työturvallisuuskortti
- Tyoturvallisuuskortti.fi
- Työturvallisuuskortti.net
- Korttirekisteri.fi: Sähkötyöturvallisuuskortti SFS 6002
- SESKO ry: SFS 6002 Sähkötyöturvallisuus
- WP: Ensiapu
- SPR: Opi ensiapua
- TUKES: Sähkötapaturmien ensiapu
keskiviikko 9. tammikuuta 2013
maanantai 7. tammikuuta 2013
Tasasähkö & magnetismi
Tasasähkötekniikka ja magnetismi -kurssista on tulossa lähiaikoina koe, ilmeisesti ensi viikolla. Tänään kertailtiin...
OHMIN LAKI: U = RI
U = jännite voltteina
R = vastus ohmeissa
I = virta ampeereissa
Lausekkeesta/kaavasta on käytössä myös muistikolmio. Laskentakaava saadaan siten, että kolmiossa peitetään suure jota ollaan etsimässä.
U * I on myös tehon (P) kaava. Muistisääntönä näistä kaavoista saadaan PUImURI
Linkit
- http://koti.mbnet.fi/catapult/ohmi.htm
- http://www.sitatata.com/Itaapinen7/
- http://fi.wikipedia.org/wiki/Ohmin_laki
KIRCHHOFFIN LAIT
1. laki, virtalaki:
- lähtevien virtojen summa = tulevien virtojen summa, I = I1 + I2
2. laki, jännitelaki
- sähkölähteen jännite = virtapiirissä syntyvien jännitehäviöiden summa, U = U1 + U2
Linkit
- http://ylivieska.cop.fi/tst/kirch.htm
SÄHKÖTYÖ W = UIt
(UI = P teho/watti)
VASTUSKYTKENNÄT
Sarja
Rtot = R1 + R2 +R2
Rinnan
Jos kaksi vastusta Rtot = (R1*R2) : (R1+R2)
Jos useampi vastus Rtot = 1 : (1/R1 + 1/R2 +...+ 1/Rn)
Jos vastukset samanarvoisia Rtot = vastusarvo : vastuksien määrä
Linkit
- http://ylivieska.cop.fi/tst/vastus.htm
- http://fi.wikipedia.org/wiki/Sarjaan-_ja_rinnankytkent%C3%A4
OHMIN LAKI: U = RI
U = jännite voltteina
R = vastus ohmeissa
I = virta ampeereissa
Lausekkeesta/kaavasta on käytössä myös muistikolmio. Laskentakaava saadaan siten, että kolmiossa peitetään suure jota ollaan etsimässä.
U * I on myös tehon (P) kaava. Muistisääntönä näistä kaavoista saadaan PUImURI
![]() |
| http://elamaaoravanpuorassa.blogspot.fi/2012/04/puimuri.html |
Linkit
- http://koti.mbnet.fi/catapult/ohmi.htm
- http://www.sitatata.com/Itaapinen7/
- http://fi.wikipedia.org/wiki/Ohmin_laki
KIRCHHOFFIN LAIT
1. laki, virtalaki:
- lähtevien virtojen summa = tulevien virtojen summa, I = I1 + I2
2. laki, jännitelaki
- sähkölähteen jännite = virtapiirissä syntyvien jännitehäviöiden summa, U = U1 + U2
Linkit
- http://ylivieska.cop.fi/tst/kirch.htm
SÄHKÖTYÖ W = UIt
(UI = P teho/watti)
VASTUSKYTKENNÄT
Sarja
Rtot = R1 + R2 +R2
Rinnan
Jos kaksi vastusta Rtot = (R1*R2) : (R1+R2)
Jos useampi vastus Rtot = 1 : (1/R1 + 1/R2 +...+ 1/Rn)
Jos vastukset samanarvoisia Rtot = vastusarvo : vastuksien määrä
Linkit
- http://ylivieska.cop.fi/tst/vastus.htm
- http://fi.wikipedia.org/wiki/Sarjaan-_ja_rinnankytkent%C3%A4





























